Big projects to simple ideas

Milling machine

Retrofitting a Bostomatic mill with Delta Tau controls and modern motor drives. pdf version
2008-03-17_Bostomatic-in-shop_crop.jpg
Back in the 1990s we bought a Bostomatic milling machine from a shop next door. It came from Litton, and had very little use since a total rebuild in 1979. Litton machinists did not like the control, SPC2. It used a 64kB Data General Nova computer. We planned to retrofit the mill with a modern control system with a personal computer at its core. This was a side-project to our paid consultant work. The design effort was spotty and lasted years. Eventually the machine got to the point where all the axis worked well. In 2014 we scrapped the machine. It was an obsolete design, since it did not have a tool-changer. It also lacked an enclosure and high-speed spindles. It did teach us a lot.
Bottom of first columnmove down to the left

  1. Milling machine
    1. Block diagrams
    2. Operator panel
    3. Computer enclosure
    4. AC distribution enclosure
    5. Interface enclosure
    6. Servo enclosure
    7. Spindle enclosure
    8. Aftermath
    9. To do it over:
2001-09-14_CNC-retrofit-rack_1-crop.jpgThe design concept was to put all the control electronics in a 19-inch rack. Then we could build a spare rack to try new things.
Files/Original-control-cabinet/1992-maybe_Bostomatic-control-cabinet_3.jpg

The original control cabinet was huge, and had a paper tape drive for programs.
move up a little to the right move down to the left
Files/Original_magnetics_Cabinet/2001-04-21_Bostomatic-magnetics-cabinet_1.JPGThe rack had four enclosures, with an interface enclosure added later, and by mistake. Components that were in that cabinet could have been housed in the servo or spindle drive enclosures. The picture above does not show the rack-mount PC with a PMAC motion control card.
Files/Original_magnetics-cabinet/2001-08-09_Breakout-cabinet.jpg

The rack had to interface with this wiring cabinet on the side of the mill.
move up a little to the right move down to the left
Files/Original_magnetics-cabinet/2001-04-21_Bostomatic-magnetics-cabinet_1.jpgIn addition to the huge original control cabinet, the mill came with this gigantic "magnetics" cabinet. Both were replaced by the rack.
Files/Original_magnetics-cabinet/2001-04-21_Bostomatic-magnetics-cabinet_2.jpg
move up a little to the right move down to the left

Block diagrams

Files/Block_diagrams/Block-diagram_RakoMatic.gifThe block diagram shows the rack and the wiring enclosure on the side of the machine. Also an operator panel with a pulse wheel to jog the machine. This was another mistake. At first we attempted to design a custom interface panel, described below. That was an unneeded design effort. The operator control panel we did use was a purchased part from Delta Tau Data Systems, the same folks that made the PMAC control card we used in the PC.
Files/Block_diagrams/Cable-diagram_RakoMatic.gif

A big part of the design is cable management. This drawing shows the interconnections in the rack, and to the mill. It adds complexity to have separate rack enclosures, but improves service.
move up a little to the right move down to the left

Operator panel

Files/Operator-panel/Pictures_Operator/Operator_Panel_Delta-Tau.jpgThe milling machine operator uses this panel to set up and control the machine. The design intent was that the operator could have this panel on the table of the mill, as he set up the work-piece and tools. The panel has an emergency-off (EMO) mushroom button, program control, and jog wheel.

The thinking was to replicate a traditional control like a Fanuc, but use the PC keyboard and screen, which can be much cheaper and easier to replace. What is nice is the development of wireless keyboards, that could have been used to enter numbers for a large screen that is safely far away from the tool and its chips and coolant.
move up a little to the right move down to the left
Files/Operator-panel/Pictures_Operator/PMAC-operator-panel-internal.JPG
The Delta Tau operator panel needed these two cards as well.
Files/Operator-panel/Pictures_Operator/PMAC-operator-panel_rr.JPG
The Delta-Tau panel was industrial quality.
Files/Operator-panel/Pictures_Operator/PMAC-operator-panel_ft.JPG
A picture from 2014, when I sold or scrapped all the hardware.
move up a little to the right move down to the left
Files/Operator-panel/Old-operator-panel/Bostomatic-retrofit-control-panel.gif
This was the user-panel we designed from scratch. I had talked to machinists who hated touch-panels. They wanted real switches they could feel as they watch the tool jog down. In addition, I put in three optical encoders so you could use the CNC mill like a manual mill.
Files/Operator-panel/Old-operator-panel/Pictures/Operator-panel_sfw.jpg
I got this far with the prototype. I glued plots of the layout onto a purchased cabinet, and used that to drill all the holes. I used LCD panels instead of the LEDs in the CAD drawing.

All this "cool-guy" stuff was way too much to design for a small shop. At least we had the sense to give up and purchase the Delta Tau panel.
move up a little to the right move down to the left

Files/Operator-panel/Old-operator-panel/Block_Diagram_Operator_Cabinet.gifThat custom operator panel needed not only schematics, but a design that could interface with the PMAC control card. We upgraded that card to dual-port memory (DPM) but that only made it more work and low-level programming to realize this custom panel design.
Files/Operator-panel/Old-operator-panel/PANEL-paperspace_1.gif
The custom operator panel did not need a microprocessor, but it did need a multitude of latches and registers.Files/Operator-panel/Old-operator-panel/PANEL-paperspace_2.gif
move up a little to the right move down to the left
Files/Operator-panel/Old-operator-panel/PANEL-paperspace_3.gifMore latches.
Files/Operator-panel/Old-operator-panel/PANEL-paperspace_5.gifFiles/Operator-panel/Old-operator-panel/PANEL-paperspace_4.gif.

Even more latches.


Files/Operator-panel/Old-operator-panel/PANEL-paperspace_6.gifSome decoders to parallelize the pulse-wheel encoders, It was getting pretty ugly by this point. It was nice to design something that my machinist friends loved, but all this took away from the main design effort. Lesson learned-- if somebody makes an operator panel, use it, get the machine working, and then do a redesign of the panel as a follow-on project.
move up a little to the right move down to the left

Computer enclosure

The computer was an IMB PC clone in an industrial rack-mount enclosure. It had to have an ISA buss to interface with the PMAC card. Yet another mistake. The computer could have connected to the PMAC card via a serial port. That would have let us put the PMAC card in one of the enclosures to simplify the cabling.Files/Rack/Computer-enclosure/Block_Diagram_Computer_Cabinet.gif


The inside of the computer enclosure was pretty standard, other than the addition of the PMAC card.
move up a little to the right move down to the left
Files/Rack/Computer-enclosure/PMAC-controller_Delta-Tau/Block-diagram_PMAC2.gifFiles/Rack/Computer-enclosure/PMAC-controller_Delta-Tau/Block-diagram_PMAC2-detailed.gif
move up a little to the right move down to the left
Files/Rack/Computer-enclosure/PMAC-controller_Delta-Tau/Pictures_PMAC/PMAC-color.jpgThe PMAC card was complicated but very high-performance. It used a custom ASIC and an Analog Devices DSP chip to control 8 axis. We made two block diagrams (above) for the PMAC and the PMAC2 we upgraded to. We also made a layout drawing of the PMAC2 card below, to remind us of where all the connectors were, and what they did.Files/Rack/Computer-enclosure/PMAC-controller_Delta-Tau/Layout_PMAC2.gif

Over a 1000 pages of manuals, scary.Files/Rack/Computer-enclosure/PMAC-controller_Delta-Tau/Manuals_PMAC/PMAC-manuals-galore_02.jpg
move up a little to the right move down to the left

AC distribution enclosure

Files/Rack/AC-enclosure/Pictures_AC-enc/2001-09-20_AC-enclosure_interior.jpgThe ac distribution enclosure was complex. It had a emergency-off lockout. If the EMO button was pressed, it cut off ac power to the whole machine. The enclosure also had a 3-phase step-down transformer to make 120 volts for the servo amplifiers.Files/Rack/AC-enclosure/Block-Diagram_AC-enclosure.gif
move up a little to the right move down to the left
Files/Rack/AC-enclosure/CAD-model_AC-enc/AC.gifThe ac enclosure started life as an AutoCAD 3D drawing. Using CAD tools in advanced ways was another goal of the project. Very few machine designers had adopted 3D at the time.
.Files/Rack/AC-enclosure/Pictures_AC-enc/2001-09-20_AC-enclosure_ft.jpg


.
In addition to the step-down transformer, the cabinet had a large EMI filter. There were 3-phase breakers for the spindle and servo enclosures, as well as single-phase power for the computer, the lube pump, and the flood coolant pump. The enclosure had solid-state relays (SSR) to operate the pumps under program control.
move up a little to the right move down to the left
Files/Rack/AC-enclosure/Pictures_AC-enc/2001-09-20_AC-enclosure_rr.jpg


.
The 3-phase transformer was a custom order from Shape Electronics. The ac enclosure also had a small transformer to power the lube and coolant pumps.

The top and bottom covers of the enclosure were perforated for air flow, so convective cooling was adequate.

Files/Rack/AC-enclosure/CAD-model_AC-enc/HEAT.gif.
The heat sink for the two SSRs is over-designed and oriented for convective cooling.
move up a little to the right move down to the left
Files/Rack/AC-enclosure/Schematic_AC-enc/AC_SCH_A.gifThe schematic of the enclosure shows the EMO (emergency off) lockout, as well as the transformer and SSRs. While this schematic calls out Bulgin connectors, we eventually used conventional ac connectors to save money.

Files/Rack/AC-enclosure/Schematic_AC-enc/Harness_AC-enc/AC_0001A.gif
The ac enclosure required several wire harnesses. Since a goal of the design effort was to document everything, there are cable drawings with dimensions and a BOM.
Files/Rack/AC-enclosure/Schematic_AC-enc/Harness_AC-enc/AC_0002A.gif
move up a little to the right move down to the left
Files/Rack/AC-enclosure/Schematic_AC-enc/Harness_AC-enc/AC_0003A.gifThis harness drawing is only a single wire.
Files/Rack/AC-enclosure/Schematic_AC-enc/Harness_AC-enc/AC_0004A.gif
Some of the internal cables in the ac enclosure were simple, like these two. With a drawing for each cable, it would be possible to build and identical enclosure without tearing apart the existing enclosure. This was in keeping with the goals of having an evolutionary deign that could be manufactured for other machines.
Files/Rack/AC-enclosure/Schematic_AC-enc/Harness_AC-enc/AC_0005A.gif


Even the simplest jumper wires needed a drawing,
move up a little to the right move down to the left
Files/Rack/AC-enclosure/Schematic_AC-enc/Harness_AC-enc/AC_0005A.gif
Files/Rack/AC-enclosure/Schematic_AC-enc/Harness_AC-enc/AC_0008A.gif



Files/Rack/AC-enclosure/BOM_AC-enc/AC-Cabinet-BOM.gif

.
The ac enclosure BOM (bill of material) cost was 1500 dollars back in the 1990s. All those little parts add up. Some things like the EMI filter and a transformer came from a salvage yard so did not have a valid cost to put on the BOM.

Changes always happen in a design. That is why it is important to be meticulous in rattling the changes through the whole document package. I had a boss that changed the name of a product for no reason, It required 40 ECOs (engineering change orders.) That's dumb. So is not documenting real engineering changes. Only now, 20 years later, do I see there are two T1s in the master schematic.
move up a little to the right move down to the left

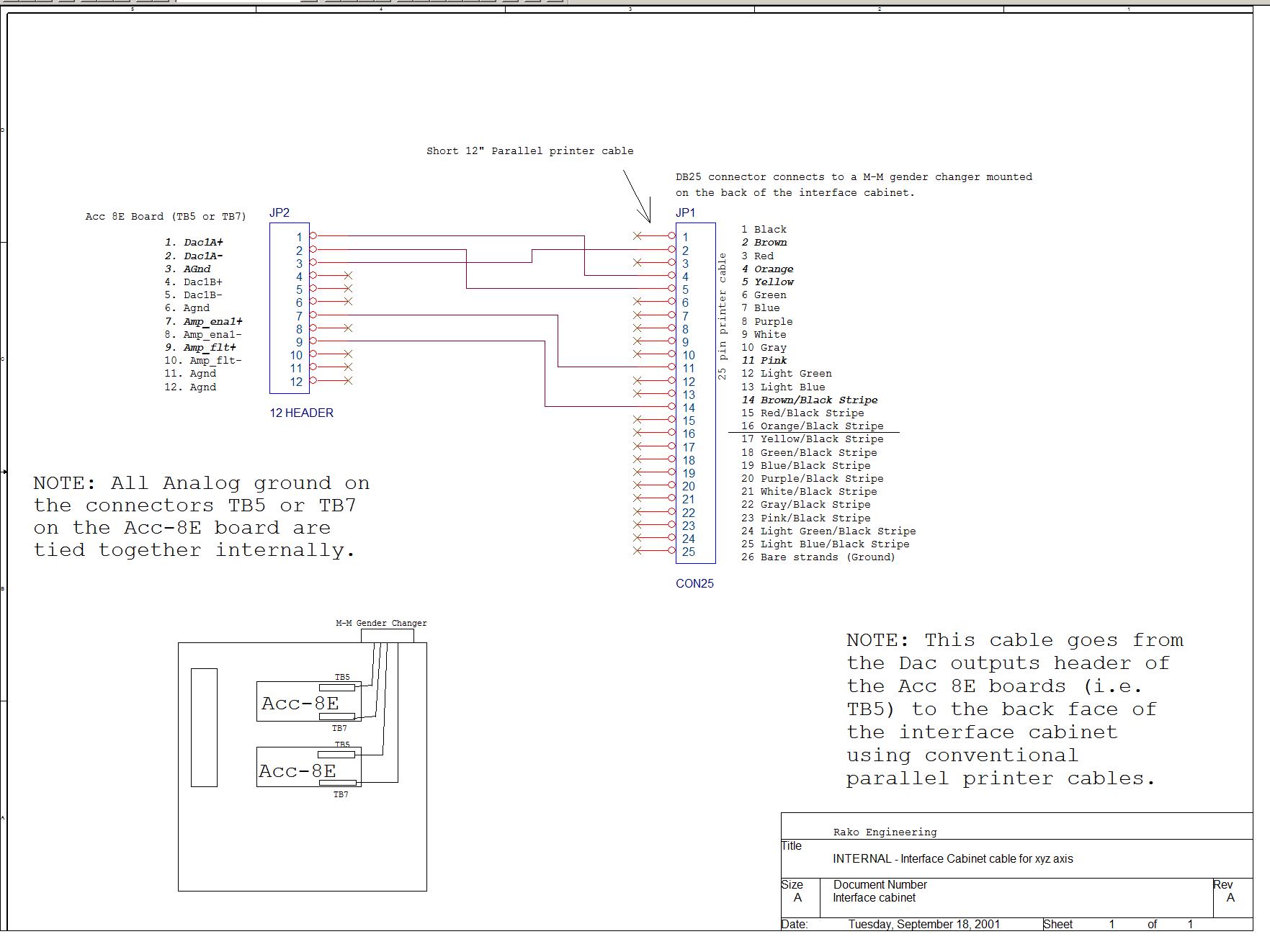
Interface enclosure

Files/Rack/Interface-enclosure/Pictures_Interface/Interface_ft_3-4.jpgThis was the interface enclosure added at the last minute. An employee convinced me it was needed since the two PMAC breakout cards needed a separate power supply. I said "yes" without really looking at the problem. We could have fit this stuff in the spindle or servo enclosures. I put an "X" through the block drawing when I realized this years later.Files/Rack/Interface-enclosure/Block-Diagram_Interface-enclosure.gif
move up a little to the right move down to the left
Files/Rack/Interface-enclosure/Schematic_Interface/Cable-drawings.jpgThe interface enclosure had a pretty simple schematic. All it did was take a ribbon cable from the PMAC motion controller card in the PC and break it out to two accessory cards. There was also a power supply that fed the accessory cards.
.
Files/Rack/Interface-enclosure/Pictures_Interface/Interface-interior.jpg
The major point of this milling machine redesign was the enormous space savings. Taking a giant magnetics cabinet and a clunky operator cabinet and replacing it with a rack and a small portable panel the machinist could use as he hunched over the spinning tool.

Seeing this much empty space in a rack enclosure should have set off alarm bells. This could have been a 2U rack, or even a 1U, but better to put this stuff into other enclosures.
move up a little to the right move down to the left

Servo enclosure

Files/Rack/Servo-enclosure/Pictures_Servo/2001-09-20_Servo-enclosure_1.jpgThe servo enclosure contained the three Advanced Motion Controls FET amplifiers that ran the dc servomotors on the mill. We over-designed the heatsinks, in the hope that a fan would not be needed for any realistic machine operations. Block diagram below.
Files/Rack/Servo-enclosure/Block-Diagram_Servo-enclosure.gif
move up a little to the right move down to the left
Files/Rack/Servo-enclosure/CAD-model_Servo/Old-AutoCAD-model/2001-03-28_Servo-enclosure_rev-1.gifThis early CAD drawing shows the step-down transformer inside the servo enclosure. There were no heat sinks for the three amplifiers.Files/Rack/Servo-enclosure/CAD-model_Servo/Old-AutoCAD-model/2001-07-11_Servo-enclosure_CAD.jpg


This later AutoCAD drawing shows the servo enclosure as it was built, with large heatsinks for the amplifiers, a huge noisy fan, and a separate fan and heatsink for the  rectifiers. The storage caps are behind the circuit breaker panel. it was stupid to keep the small heatsink, the rectifier could be mounted on one of the large heatsinks. So could the power supply needed by the PMAC breakout boards. As it was, we added an interface enclosure.
move up a little to the right move down to the left
Files/Rack/Servo-enclosure/CAD-model_Servo/Servo-enclosure-CAD-model.gif.Files/Rack/Servo-enclosure/CAD-model_Servo/Servo-enclosure-CAD-model_r34.gif


A SolidWorks CAD model done after the interface enclosure was added. It corrects the design and eliminates that interface enclosure. It puts the power supply and breakout cards that were in the interface enclosure into this enclosure. The rectifier and power supply are mounted on the Z-axis heatsink.

It was also a mistake to have three expensive dc circuit breakers on this cabinet, as well as a circuit breaker in the ac enclosure for the servo enclosure.
move up a little to the right move down to the left
Files/Rack/Servo-enclosure/Schematic_Servo/Schematics_2001/Servo-enclosure_Power-and-signal_pg-1.jpgThe 2001 schematic shows the power supply for the amplifiers, as well as the cables for when there was an interface enclosure with the breakout boards for the PMAC controller.
.
Files/Rack/Servo-enclosure/Schematic_Servo/Schematics_2001/Servo-enclosure_Motor-and-power-connectors_pg2.jpg


The as-built design version of the power schematic. It shows the circuit breakers, the connections to the dc MOSFET amplifiers, and the connectors on the back of the enclosure to go to the motors.

After seeing that the interface enclosure could be eliminated, we drew up new schematics, showing the PMAC breakout boards inside this enclosure, also with a power supply for the breakout cards.
move up a little to the right move down to the left
Files/Rack/Servo-enclosure/Schematic_Servo/Schematics_2005/Servo-cabinet_Amplifer-wiring.jpgThis schematic shows design intent for having the breakout boards inside this enclosure.
Files/Rack/Servo-enclosure/Schematic_Servo/Schematics_2005/Servo-cabinet_AC-wiring.jpg

The ac distribution design intent. Files/Rack/Servo-enclosure/Schematic_Servo/Schematics_2005/Servo-cabinet_Encoder-and-limit-wiring.jpg
This shows a large cable from the machine going to the breakout board for encoders etc.

Files/Rack/Servo-enclosure/Schematic_Servo/Schematics_2005/Servo-cabinet_Operator-panel.jpg.
These ribbon cables are for the operator interface panel. 
move up a little to the right move down to the left

Spindle enclosure

Files/Rack/Spindle-enclosure/Pictures_Spindle/2001-09-09_Spindle-enclosure-ft.jpgThe spindle enclosure was simple, it just held a smal inverter purchased to drive one of the spindle motors. A D-sub went to the PMAC.
Files/Rack/Spindle-enclosure/Block-Diagram_Spindle_enclosure.gif The block diagram is pretty basic for this enclosure. Three-phase ac comes in from a connector and connects to the inverter. This shows a large inverter driving all three motors.
move up a little to the right move down to the left
Files/Rack/Spindle-enclosure/Schematic_Spindle/Spindle-enclosure_Inverter-wiring.jpgThe enclosure used a 25-pin D-sub to take all the signals from the inverter "just in case". In reality, all the inveter needed was analog speed and  direction, and a fault out signal.

Files/Rack/Spindle-enclosure/Pictures_Spindle/2001-08-09_VeeArc-spindle-inverter.jpg This is the old Vee-Arc inverter that was replaced by the inverter inside the enclosure. We sold it on eBay to offset the cost of the project. Note the brake resistors on this inverter, so the spindles would stop faster. That was planned for the new inverter as well.
move up a little to the right move down to the left
Files/Rack/Spindle-enclosure/Pictures_Spindle/2001-08-09_Spindle-inverter-internal.jpgThat large Vee-arc panel is replaced by this one inverter, but admittedly sized just for one of the spindle motors.

Machinists told me the three spindles made it seem like you could make three parts are once, but it was a bad idea. It was so hard to set all the tools just right, it was almost impossible to hold the close specs this machine was designed for.
Files/Rack/Spindle-enclosure/Pictures_Spindle/2001-08-09_Spindle-enclosure-3-4-ft.jpg
A front view of the enclosure before the inverter panel got mounted on the front. It shows how much space was left over, easily enough for a second inverter if needed.

The mistake of adding an extra interface enclosure rattled thought the whole design. Thankfully, this enclosure was not affected.
move up a little to the right move down to the left

Aftermath

Files/2014-03-17_Bostomatic-mill-Monarch-lathe_10.jpg.
The machine ended up in my side yard under a tarp for 7 years. I got a rigger to take it for free, for the scrap value. A machinist who bought my Monarch 10EE toolroom lathe told me not to regret letting the Bostomatic get all rusty. He pointed out it was a slow obsolete machine, and agreed with my friend that the three spindles looked like a good idea but really were not.

I sold off the tooling and electronics on eBay, Craigslist, and the Silicon Valley Electronics Flea Market. I was delighted to have a fellow engineer want the control cabinets. I sold them for pennies on the dollar so I did not have to move them to Florida.

I don't regret for a second doing this project. It taught me a lot and I still love machine control. I have worked on semiconductor machinery as a consultant, and this project was just as much fun.

Now I am looking into building one of those kit CNCs. Things are so much easier now. You can buy a controller and drives and everything else for very low cost. That is a future project.
move up a little to the right move down to the left

To do it over:

I got the mill to run all the axis and a spindle, but never made any significant chips. In all, it was a bridge too far for a small shop that had real paying projects to work on. I could have bought a used Haas for what I spent on this project, not even accounting for my time.

So the first mistake was buying this old mill, even though it was from a machine shop next door to mine, and I got it for almost scrap value with the money I made selling the operator cabinet, the magnetics cabinet, and the Vee-arc spindle inverter. At least it was already a CNC, so we didn't have to engineer in ballscrews and the things needed to convert a manual mill.

The next error was trying to make the redesign form-fit-and-function from the first crack. I saw this same error when I worked for oqo palmtop computer a few years later.

There is a reason electrical engineers call a prototype a breadboard. It used to be an actual breadboard, with stuff nailed to it and wired in helter-skelter as it got developed.

Rather than fall in love with the rack-mount interchangeable design, I should have leaned a 4x8 sheet of plywood next to that wiring cabinet on the side of the mill. Then screw in three servo amplifiers, no heatsink, they will thermally fault when they get too hot. Then I would know how big to make the heatsinks.

Rather than that complex expensive ac distribution enclosure, I should have gone to Bell Electric and got a little sub-panel with three breakers, one for the spindle, one for the servos, and one for the computer and lube pumps.
move up a little to the right move down to the left
My mentor, Big John Massa, went to Ohio State University. He said they purposely did not put in sidewalks between some new buildings. Instead, they let the students walk on the grass where they needed to. Then, the school just put down sidewalks wherever the grass was worn away. As a guy that grew up in Cleveland, I have to love that Ohio ingenuity.

The same goes for this cabinet. With all the "guts" nailed to a sheet of plywood, I would have been able to see where the cables went. Then I would have known how to route and partition them.

I would still keep the rack, but it would not be all these separate enclosures. It would have the rack-mount PC, but underneath would be one big enclosure that was hard-wired into the machine. That one big enclosure would have a regular Square-D sub-panel. I would not design a custom step-down transformer, I would just buy a standard one. Better yet, maybe a 120V dc power supply for all three servo amps.

Files/Block_diagrams/Block-diagram_RakoMatic_redo.gif
.
It is good not to build electronics onto the mill, the vibration kills things. I saw that with early Bridgeport CNCs, where the large capacitors would break out of their solder joints.
move up a little to the right move down to the left
I did not realize that I really needed the step-up transformer you can see under the old magnetics cabinet in the picture above. The spindle motors needed 240 volts, and Silicon Valley has 208V.

Motors will burn up on under-voltage, even when powered by an inverter. The inverter changes the frequency of the ac down from 60Hz. This was just simple ignorance on my part, but at least I never sold off the transformer until I scrapped the whole machine.

No custom operator panel, so no need for the dual-port RAM option on the PMAC card. So then easy to mount the PMAC remotely, and use a modern PC motherboard.

Using the PMAC card as an ISA-bus plug in card was a huge mistake. It meant long delicate ribbon cables had to snake out of the PC and into the enclosures. The PMAC only needed the ISA buss for power and to connect to a modem chip in the card. It worked just as well when you fed it power via a connector and instructions with a 2-wire serial cable connection.

The whole point of the PMAC was to offload the PC, which you dare not depend on for timings in machine control. All the PC sent the PMAC card were short ASCII commands, very similar to G-codes. They got buffered on the PMAC, so it was a very easy, non-critical thing to "feed" the PMAC over a serial port, and no difference whatsoever to using its internal modem.

Rather than buy separate power supplies for the card, we could have brought a Molex dc power connector out of the PC. That has 5V and +/- 12 volts, which would have run the PMAC2 and all the breakout cards.
move up a little to the right move down to the left
The ISA bus computer was obsolete even back when we designed this system The shop was all PCI bus machines by then. We had to search for a compatible motherboard and enclosure for an old ISA bus motherboard.

To do it over, I would just lean a mid-tower PC against the plywood breadboard and use it that way until things were working. Then it would be time to look at an industrial PC, but that would be a modern-at-the-time PCI bus machine.

I could see using a laptop in this day and age. Things are so non-critical with the PMAC serial port, a USB-to-serial converter cable would work just fine, and we could have upgraded the computer with no effect on the milling machine control.

I would not make the EMO circuit kill the main ac power. Modern machine designers know better. Even back in 1995, I could see an axis would stop faster if commanded to stop by the amplifier, rather than have to drain all the input capacitors while things still moved.

I did not brush up on my control theory. The amplifier worked in four different modes, and could take in the tachometers on the motors. It worked, but I am not sure it would have worked better with an explicit velocity loop.

The servo amps had inputs for limit switches. The BostoMatic used industrial limit switches that had both a home switch, and then a limit. The home switch needed to go to the PMAC, while the limit could have gone directory to the servo amp. I now think that would be more dependable, rather than having the PMAC card shut down the amplifier. Instead, the amp would fault and PMAC could figure things out.
move up a little to the right move down to the left
Rather than use some handy extrusion to make giant servo amp heatsinks, I should have tried much smaller ones, convectively cooled.

Perhaps the biggest mistake was mismanagement. By insisting on all those seperate enclosures, I made my employee spend most of his time making cables. He is a brilliant engineer, and I should have used him to figure out all the PMAC documentation and the PLC programming to get the machine to home and operate the lube and flood coolant pumps. It would have been much more fun for him to screw hardware to a sheet of plywood, wire it point-to-point, and start playing with the machine. We could have gone in afterwards and done all the harness drawings and cable diagrams.

I also was not good about keeping the block diagrams current to the way the machine was actually getting built. This is a cardinal sin in engineering, and it shows how making cable drawings can interfere with the much more important task of overall design. Tactics should not interfere with strategy.

We did do some things right. Getting the servo amplifiers with the isolated option was essential. That way the amplifier case can be connected to chassis ground and the same for the negative output of the three-phase bridge rectifier. That also meant I needed a three-phase step-down transformer that had isolation, another thing I managed to get right.

We also were right not to spend 1000 dollars on a 10hp spindle drive for all three motors. Instead, we got a 3hp drive that ran a single spindle just fine.

Experience is a mean teacher. It gives the test before the lesson. At least I learned the lesson.
move up a little to the right move down to the left


This post is in these categories:


This post has these tags:

  • explore






border bar
Bottom of first column This is the end.